Tigercat
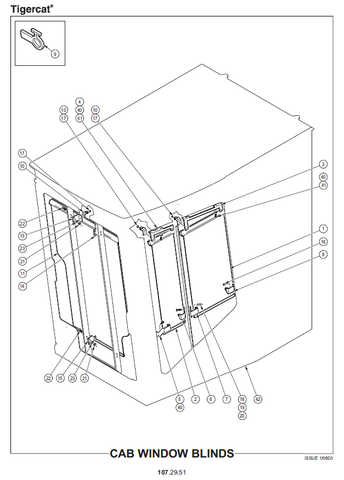
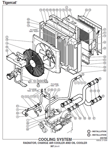
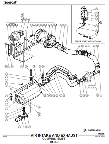
for daily operation, safety, and basic maintenance. contains instructions on servicing, troubleshooting, adjusting components, specifications. contains exploded diagrams, part numbers, assembly breakdowns.
Categories
Allis Chalmers
Audi
Automotive
BMW Auto
Bobcat
Bomag
CASE
CAT
CHRYSLER
Claas
Coming Soon
Crown
Deutz
DODGE
DOOSAN
DUCATI
FENDT
FORKLIFT - OWNER
FORKLIFT - SHOP
Forklift Spare Parts
Freightliner
Gehl
HARLEY DAVISON
Hitachi
Honda
HYUNDAI
JCB
Kobelco
KOMATSU
Kubota
Massey Ferguson
MERCEDES
Motor Bike
Mustang
NEW HOLLAND
Steyr
Technical Shop
Tigercat
Toyota
Trucks
VALTRA
Volvo
YANMAR
Tigercat S855C Shovel Logger Spare Parts catalog manual 85550101 – 85552000 - PDF FILE
Regular price
$52 USD
 
Tigercat LS870 Shovel Logger Spare Parts catalog manual - 87001168 – 87001499 - PDF FILE
Regular price
$52 USD
 
TIGERCAT 920 DOZER PARTS CATALOGUE MANUAL (9200101-9200500) - PDF FILE DOWNLOAD
Regular price
$70 USD
 
TIGERCAT D860 DELIMBER PARTS CATALOGUE MANUAL (860D0501 - 860D0999) - PDF FILE DOWNLOAD
Regular price
$70 USD