Skip to content
  • Home
  • Collections
  • About
  • Contact
  • FAQ
  • Delivery & Refund Policy
  • Account
The Manuals Group
Cart
  • Home
  • Collections
  • About
  • Contact
  • FAQ
  • Delivery & Refund Policy
Account
Item added to cart. View cart and check out.

Categories

ALLIS CHALMERS Automotive (Book) BOBCAT BOMAG CASE CAT CHRYSLER CLAAS CROWN DEUTZ DODGE DOOSAN FENDT FORKLIFT - OWNER FORKLIFT - SHOP FORKLIFT - SPARE PARTS FREIGHTLINER GEHL HONDA JD (MODEL) KOBELCO KOMATSU KUBOTA MASSEY FERGUSON MOTOR-BIKE MUSTANG NEW HOLLAND OPERATOR'S MANUAL PARTS CATALOGUE MANUAL TECHNICAL SERVICE & REPAIR MANUAL TIGERCAT TOYOTA VOLVO YANMAR
Crown C-5 Series LPG Cushion Forklift Maintenance Manual
Crown C-5 Series LPG Forklift Manual - PDF Download
Crown C-5 Series LPG Forklift Manual - PDF File Download
Crown C-5 Series LPG Cushion Forklift Maintenance Manual
This Crown C-5 Series LPG Cushion Forklift Maintenance Manual provides detailed service information, maintenance instructions, and troubleshooting guidance for Crown C-5 series lift trucks. Download the PDF manual for an instant, easy-to-follow guide to proper maintenance and repair procedures.
Download Free Manual Crown C-5 Series LPG Cushion Forklift
Crown C-5 Series LPG Cushion Forklift Maintenance Manual
Crown C-5 Series LPG Forklift Manual - PDF Download
Crown C-5 Series LPG Forklift Manual - PDF File Download
Crown C-5 Series LPG Cushion Forklift Maintenance Manual
This Crown C-5 Series LPG Cushion Forklift Maintenance Manual provides detailed service information, maintenance instructions, and troubleshooting guidance for Crown C-5 series lift trucks. Download the PDF manual for an instant, easy-to-follow guide to proper maintenance and repair procedures.
Download Free Manual Crown C-5 Series LPG Cushion Forklift

Billy B.

Always a pleasure buying from here

Terry D.

I have purchased several manuals through this website and they are always good

Clint P.

I saw this in a YouTube Video and it's great

Tom H.

It's a good website for manuals

Ben D.

Perfect. The online ordering was easy and the download worked great. I'm very happy with my manual.

Collin B.

I'm so glad that I could make repairing procedures on my on since they are explained from A-Z in the manual. The price was good too! The company offers the manuals for such affordable price! I'm glad that I find out about this company so early..

Zach O.

Thanks to this manual and it's information I was able to improve my New Holland tractor within a day. It's so satisfying feeling!

Leo J.

So far my experience is good

Max H.

This service provider is very good and very helpful i like their service Thank You!

Peter P.

Will use this service again. Thank you

Crown C-5 Series LPG Cushion Forklift Maintenance Manual - PDF File Download

  • Discount
  • Regular price $32.00 USD

 
 
This item is a recurring or deferred purchase. By continuing, I agree to the cancellation policy and authorize you to charge my payment method at the prices, frequency and dates listed on this page until my order is fulfilled or I cancel, if permitted.

  • Description
  • Download Information
Description

Download Complete Maintenance Manual For Crown C-5 Series LPG Cushion Forklift | Revision: A

This Crown C-5 Series LPG Cushion Forklift Maintenance Manual provides detailed service information, maintenance instructions, and troubleshooting guidance for Crown C-5 series lift trucks. Download the PDF manual for an instant, easy-to-follow guide to proper maintenance and repair procedures.

Maintenance Models Covered:
Crown C-5 Series LPG Cushion Forklift

Maintenance Manual Contents:
INTRODUCTION
Operator Instructions Operator Training Service Training Ordering spare parts
Ordering Documentation Manual Structure
SAFETY
General Maintenance Instructions Control of Hazardous Energy Work In Ventilated Areas Handle Propane Gas Safely
Cooling System Safety
Battery
Safety Rules
Battery Care
Charging
Jump Starting Battery Using Starter Booster or Starter Battery
Prevent Bypass Starting
Lockout - Tagout
Manually Lowering The Mast
Manually Releasing The Parking Brake
Manually Applying The Parking Brake Hydraulic
Towing Truck
Towing by Pulling in Power Unit First Direction
Towing by Pushing in Forks First Direction
Lifting and Blocking
Drive Wheels
Steer Wheels
Side.
Wheel Stands
Mast
Blocking Masts
Disconnecting Tilt Cylinders
Removing the Mast
Removing Counterweight.
Cleaning of Material Handling Equipment
Cleaning Methods

INSPECTION & LUBRICATION Operators Daily Checklist... Lubricants, Aerosols & Service Supplies Planned Maintenance
Planned Maintenance Summary Chart 1 Planned Maintenance
Overview, Component Access
Seat Deck
Floorplates Lubrication Engine Break-In
Daily Operator Checks 500 Hour Inspection Chart 500 Hour Lubrication Chart 1000 Hour Inspection Chart 1000 Hour Lubrication Chart 2000 Hour Inspection Chart 2000 Hour Lubrication Chart 3000 Hour Inspection Chart 3000 Hour Lubrication Chart Torque Values...
Grade
Metric Torque Values
Grade
COMPONENTRY Componentry
Audible Indicators
ALARM
HN1
Battery
TRAV_ALM
BATTVOLT
Fuses.
FU1
FU2
FU3
FU4
FU5
FU6
FU7
FU8
FU9
FU10 ACC
FU11
FU12

Solenoid Valves FAN_SOL FANRVSOL
FUEL LOC FWD SOL LIFT SOL
MAIN SOL PBRK_SOL REV_SOL
Switches BRKS
DOWN ARROW
ENTER
FNS
HGT_LMTS
HNS
KYS
LGS1
LGS2
LOW SW
PBRK_PSW
PBRK SW2
SEAT SW
SEATBLTS
TLT_LMTS
UP ARROW
PBRK_SW
HYDRAULIC
Hydraulic System
Hydraulic Lines and Fittings Reservoir
Capacity Filters
Drift Tests
Lift Drift Test
Tilt Drift Test
Cylinder and Circuit Bleeding
Lift Circuit
Tilt Circuit
Side shift Circuit
Steer Cylinder Circuit
Power Brake Circuit
Park Brake Circuit
Hydraulic System Troubleshooting
Basic Hydraulic Inspection
Hydraulic Oil Symptoms
Mast Functions..
Tilt Functions
Carriage Functions
Accessory Functions
Hydraulic System Checks & Adjustments

Hydraulic Circuitry Steering
Hydraulic Functions
Lift/Lower Function Tilt Function
Side shift Function
Brakes
Power Brakes
Parking Brakes
Control Valve.
Primary Relief Valve Secondary Relief Valve
Primary Relief Valve Adjustment Secondary Relief Valve Adjustment Control Valve Disassembly
Control Valve Inspection & Repair
Control Valve Assembly
Adding 4th Spool Valve Section (2nd Accessory) Hydraulic Manifold Blocks
Manifold Blocks
Manifold Block Component Replacement
Main Interlock Manifold
Lift/Lower Manifold...
Power Brake Manifold Accessory Manifold
ENGINE AND TRANSAXLE
Transaxle
General Description
Checking Transaxle Fluid Levels Changing Transaxle Fluids Drive Axle Fluid Change Control Valve Body Replacement Drive Tire Replacement Engine Basics...
Engine Specifications
Engine Identification
Engine Break-In
Engine Operation
LPG Fuel System
LPG Fuel System Safety
Fuel Requirements
Handling and Storing LPG Fuel
Fuel Leak Check Procedure
Fuel System Operation
LPG Bottle
Fuel Manifold Block
Fuel Filter and Fuel Pressure Switch
Shutoff Valve and Fuel Lookoff Solenoid
Electronic Pressure Regulator
LPG Fuel System Maintenance
Refueling LPG Truck
LPG Bottle Removal LPG Bottle Installation

Electronic Pressure Regulator (EPR) Maintenance Fuel Filter Maintenance
Electronic Pressure Regulator Installation Air Intake, Filter and Exhaust System Air Intake, Filter & Exhaust System Operation Air Cleaner Assembly
Carburetor UTTP
Air Throttle Actuator
Manifold Absolute Pressure Sensor (MAP) PCV Valve Oxygen Sensor
Muffler
Air Intake, Filter and Exhaust System Maintenance
Air Intake Maintenance
Air Cleaner Maintenance
Replacing Air Filter Element
Carburetor Maintenance
PCV Valve Maintenance
Air/Gas Mixer Assembly
Assembly of Adapter to Carburetor
Assembly of Adapter to Air Throttle Actuator
Assembly of Air/Gas Mixer Assembly to Rocker Arm Cover Removal and Installation of Exhaust System Components
UTTP Installation
Manifold Absolute Pressure (MAP) Sensor Installation Oxygen Sensor Installation
Exhaust Manifold Removal and Inspection
Exhaust Manifold Installation
Engine Lubrication System
Mixing of Lubricants
Engine Lubrication System Operation
Engine Oil...
Engine Oil Change
Checking Engine Oil Pressure
Oil Pan Installation and Removal
Oil Pan Removal
Oil Pan Installation
Oil Pressure Regulation Valve Removal and Installation
Oil Pressure Regulation Valve Removal
Oil Pressure Regulation Valve Installation Oil Pick-Up Tube Removal and Installation
Oil Pump Removal and Installation... Oil Pump Removal and Inspection. Oil Pump Installation
Oil Pressure Sensor (OIL_PRESS) Oil Pressure Sensor Installation
Electronic Control System
Ignition System Operation
Engine Control Unit (ECU) Operation CAM Sensor

Ignition System Maintenance Electronic Control Unit (ECU) CAM Sensor
Battery Alternator
Starter
Power Relay Module (PRM)
Ignition Coils Spark Plugs
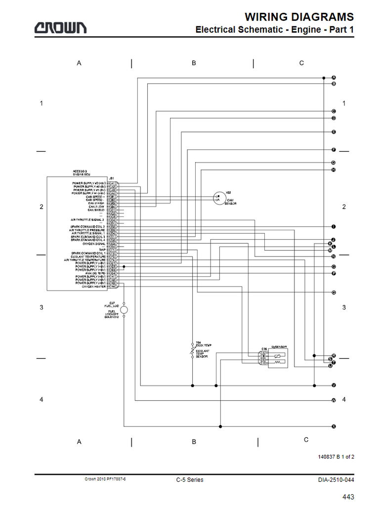
Engine Wiring Harness
Cylinder Head and Valves
Rocker Arm Cover Removal Rocker Arm Assembly Disassembly Cylinder Head Removal
Inspect Cylinder Head Screws
Install Cylinder Head
Install Rocker Arms
Install Rocker Arm Cover
Crankshaft and Flywheel
Crankshaft Pulley
Crankshaft Pulley Removal Inspect Pulley and Wear Sleeve Install Crankshaft Pulley
Flywheel and Flywheel Housing Inspect Flywheel.
Remove Flywheel
Flywheel Ring Gear Replacement
Flywheel Housing Removal
Flywheel Housing Installation
Flywheel Installation
Rear Oil Seal....
Rear Oil Seal Handling Precautions
Rear Oil Seal Removal
Rear Oil Seal Housing Removal
Crankshaft Flange Cleaning and Inspection Rear Oil Seal Housing Installation
Rear Oil Seal Installation
Timing Gear Cover
Timing Gear Cover Removal
Clean and Inspect Timing Gear Cover
Timing Gear Cover Installation.
ELECTRICAL
Electrical System
Wiring color Codes
Switches.
Access 1 2 3R
ACCESS 1 Display
Operator Mode
Event Codes
Truck Hours
Ground Speed Fuel Rate
Service Mode

BRAKE
Power Brake System
Power Brake Pedal Bridge Assembly Accelerator Pedal
Accelerator Pedal Position Sensor (ACCELPED) Brake Pedal
Inch Pedal
Brake Switch
Brake Valve
Brake Valve Linkage Lubrication
Brake Valve Adjustment.
3 Pedal Bridge Assembly 2 Pedal Bridge Assembly Power Brake Operation 3000 Hour Inspection Power Brake Removal
Power Brake Disassembly
Power Brake Lining and Stator Inspection
Power Brake Lining and Stator Replacement
Service Brake Piston, Wiper and Seal Inspection/Replacement
Power Brake Assembly
Power Brake Installation
Power Brake Bleeding Service Brakes.
Parking Brakes
Parking Brake Operation
Parking Brake Disassembly
Parking Brake Piston Wiper & Seal Inspection/Replacement SAHR Cap Pre-Assembly
Power Brake Manifold
Manually Releasing Parking Brake
Manually Applying Parking Brake
Parking Brake Solenoid
Pressure Unloading Valve
Park Brake Pressure Switch
Drum Brake System
Drum Brake Pedal Bridge Assembly
Accelerator Pedal
Accelerator Pedal Position Sensor (ACCELPED)
Brake Pedal
Inch Pedal
Master Brake Cylinder
Drum Brake Operation
Brake Drum Removal
Drum Brake Wear Check
Brake Drum to Shoe Clearance
Brake Shoe Removal
Wheel Cylinder Removal/Installation
Brake Shoe Installation
Bleeding Drum Brakes

PDF File Size: 33.5 MB

➤ Total Pages: 482
➤ File Format: PDF
➤ Language: English
➤ File Download: Instant after purchase

MAKE SURE YOUR EMAIL ADDRESS IS CORRECT. DON’T FORGET TO CHECK SPAM / JUNK IF CAN’T FIND THE DOWNLOAD LINK IN YOUR EMAIL INBOX IMMEDIATELY.

Download Information

: File Format - PDF (Portable Document Format)


: Manual Images - (High-Quality PDF)


: Printable - Entire Manual


: Compatible - All versions of Windows, ios, android


: The manual includes - Bookmarks, Searchable Text, Wiring, and Hydraulic Schematics


: Download - You will receive the PDF manual in your email after the purchase

File Format - PDF (Portable Document Format)

  • Our manuals, contain searchable text, bookmarks, illustrations, and diagrams to make your experience comprehensive and efficient. All of these features are combined to help you find the information you are looking for quickly, so you can put your ideas into action.
  • Our PDF manuals are accessible with all versions of Windows, iOS, Mac, and other digital devices, making them great for any device user. Enjoy enhanced compatibility and get the information you need, whenever you need it.

When will I receive my manual after I buy it?

After purchase, your manual will be emailed to the address you supplied usually within about 1 hour. Just to be safe, we have listed the processing time as 8 hours. You will never have to wait longer than this.

Can I find these manuals online for free?
Some sites may offer much lower-quality manuals for no charge. These sites may contain malicious files that can do damage to your computer. And most of the time, end up not even having the manual they claim to have.

How large are the files and how will the download work?

The PDF files vary from 5MB to a maximum of about 1000 MB. The email you receive will contain a link that will redirect you to a file sharing called Send-space. This link will automatically start the download for your desired manual.

How will I open the PDF manual?

All of our manuals are PDF files that will open with Adobe Reader. 95% of computers come with this program already installed. If your computer does not have this software, it can be downloaded for free at: http://get.adobe.com/reader/

Can I have the manual shipped to me?

Digital download directly by a link provided by us.

Can I have the repair manual printed out and sent to me?

We apologize but we only offer digital manuals. Upon receiving the manual you may print out the entire thing or only your desired pages.

How can I pay for the service manual?

We accept all major brands of credit and debit cards. We also accept PayPal as a method of payment.

How will I be able to browse through the manual?

Almost all of our manuals contain a very easy-to-follow index. In the case that you have purchased a manual without an index, all manuals are fully searchable. This means that holding Ctrl and pressing “F” will open a search function in Adobe Reader, you can then search the entire manual for any specified word or phrase.

Are your service manuals printed by the manufacturer of the vehicle or by an aftermarket company like Clymer or Haynes?

Our manuals are all OEM factory service manuals; they have been written and printed by the original manufacturer of the vehicle itself.

Is the manual mine forever?

Yes, once you have received the email with the link, do not delete it. This file will be downloadable as many times as you like with no time limit. We recommend that after opening, you save the file somewhere on your computer you will remember.

Helpful Links

  • 📞 Get in Touch
  • 🔄 Returns & Refund Policy
  • Privacy Policy for Manual Labs
  • 📚 Frequently Asked Questions (FAQ)
  • 📩 Delivery Process 💰 Exchange & Refund Policy

Categories

Heavy Equipment Machines

Cars

Bikes

Generators

Engines

Subscribe To Manuals Group.

© 2025, The Manuals Group.
Payment methods
  • PayPal
  • Venmo
  • Choosing a selection results in a full page refresh.
  • Press the space key then arrow keys to make a selection.
  • Use left/right arrows to navigate the slideshow or swipe left/right if using a mobile device