Skip to content
  • Home
  • Collections
  • About
  • Contact
  • FAQ
  • Blog post
  • Account
The Manuals Group
Cart
  • Home
  • Collections
  • About
  • Contact
  • FAQ
  • Blog post
Account
Item added to cart. View cart and check out.

Categories

Allis Chalmers Audi Automotive BMW Auto Bobcat Bomag Case Cat Chrysler Claas Coming Soon Crown Deutz Dodge Doosan Ducati Fendt Forklift Owner Forklift Parts Forklift Shop Freightliner Gehl H-D Hitachi Honda Hyundai JCB Kobelco Komatsu Kubota Massey Ferguson Mercedes Motor Bike Mustang New Holland Steyr Tech Shop Tigercat Toyota Truck Valtra Volvo Yanmar
MUSTANG 2042, 2044, 2054 SKID STEER LOADER SERVICE REPAIR MANUAL 000-78025 - PDF FILE DOWNLOAD
This PDF service manual offers detailed maintenance and repair information for the Mustang 2042, 2044, and 2054 Skid Steer Loader. Created by expert technicians, the manual contains thorough diagrams and instructions to help you keep your equipment in top condition. Download it today for an essential maintenance reference.
Download Complete Service Repair Manual For Mustang 2042, 2044, 2054 Skid Steer Loader | Part # 000-78025
Mustang 2042, 2044, 2054 Skid Steer Loader (FEB 2006
2042, 2044, 2054
MUSTANG 2042, 2044, 2054 SKID STEER LOADER SERVICE REPAIR MANUAL 000-78025 - PDF FILE DOWNLOAD
This PDF service manual offers detailed maintenance and repair information for the Mustang 2042, 2044, and 2054 Skid Steer Loader. Created by expert technicians, the manual contains thorough diagrams and instructions to help you keep your equipment in top condition. Download it today for an essential maintenance reference.
Download Complete Service Repair Manual For Mustang 2042, 2044, 2054 Skid Steer Loader | Part # 000-78025
Mustang 2042, 2044, 2054 Skid Steer Loader (FEB 2006
2042, 2044, 2054

Billy B.

Always a pleasure buying from here

Terry D.

I have purchased several manuals through this website and they are always good

Clint P.

I saw this in a YouTube Video and it's great

Tom H.

It's a good website for manuals

Ben D.

Perfect. The online ordering was easy and the download worked great. I'm very happy with my manual.

Collin B.

I'm so glad that I could make repairing procedures on my on since they are explained from A-Z in the manual. The price was good too! The company offers the manuals for such affordable price! I'm glad that I find out about this company so early..

Zach O.

Thanks to this manual and it's information I was able to improve my New Holland tractor within a day. It's so satisfying feeling!

Leo J.

So far my experience is good

Max H.

This service provider is very good and very helpful i like their service Thank You!

Peter P.

Will use this service again. Thank you

MUSTANG 2042, 2044, 2054 SKID STEER LOADER SERVICE REPAIR MANUAL 000-78025 - PDF FILE DOWNLOAD

  • Discount
  • Regular price $18.00 USD

 
 
This item is a recurring or deferred purchase. By continuing, I agree to the cancellation policy and authorize you to charge my payment method at the prices, frequency and dates listed on this page until my order is fulfilled or I cancel, if permitted.

  • Description
  • Download Information
Description

Download Complete Service Repair Manual For Mustang 2042, 2044, 2054 Skid Steer Loader | Part # 000-78025

This PDF service manual offers detailed maintenance and repair information for the Mustang 2042, 2044, and 2054 Skid Steer Loader. Created by expert technicians, the manual contains thorough diagrams and instructions to help you keep your equipment in top condition. Download it today for an essential maintenance reference.

Service Repair Models Covered:
Mustang 2042, 2044, 2054 Skid Steer Loader (FEB 2006)

Service Repair Manual Contents:

TABLE OF CONTENTS
INTRODUCTION
HYDROSTATIC DRIVE SYSTEM
Serial Number System.
General Information.
Troubleshooting
SPECIFICATIONS
Flow Diagram
Specifications 2042.
Flow Schematic
Specifications 2044.
System Checks
Specifications 2054..
Charge Pressure
Power Check
SAFETY
Directional Check/Relief Valve
General Precautions
Hydrostatic Pump, Removal and Installation.
Safety Equipment..
Drive Motor, Removal and Installation
Lift Arm Stops
Roll Over Protective Structure - Removal and
CHAIN CASE
Installation
General Information
Safety Interlocks
Drive Chain
Lift Arm Bypass Switch
Drive Axle and Sprocket
Parking Brake
General Information
Neutral Start Switches
Axle Housing R&I
Loader Lifting Procedure
Drive Chain & Sprocket R&I - 2054.
Troubleshooting
GENERAL INFORMATION
System Contamination Control
Hydraulic Fluid
ENGINE
Maintenance Chart
General Information
Pre-delivery Check List
Specifications
50 Hour Check List
Troubleshooting
Access Panels
Engine/ Hydrostatic Pump -
Standard Torque Value Specifications
Removal and Installation
Metric Torque Value Specifications
Cooling System
Torque Specifications and Procedures
Troubleshooting
Hoses and Fittings
Fuel System
Special Tools
Injection Timing
Valve Clearance Adjustment
STEERING CONTROLS
General Information
ELECTRICAL SYSTEM
Troubleshooting
General Information
Neutral Centering Device - Adjustments
Instrument Panel
Neutral Centering Device -
Interlock Circuit
Service and Repair
Interlock Circuit Wiring Diagram
Steering Controls - T-Bar
Control Module Tests
Steering Controls - Dual Lever
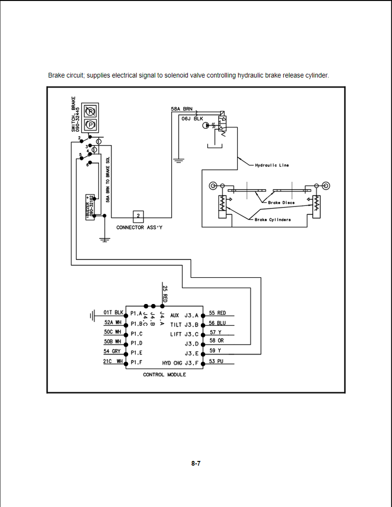
Brake Circuit Wiring Diagram
Troubleshooting
HYDRAULIC SYSTEM
Charging Circuit Diagram.
General Information.
Starter Circuit
Hi-Flow
Starter Circuit Wiring Diagram
Troubleshooting
Flow Diagram.
Controls
Lift Circuit Leak-Down Test.
Wiring Diagram
Insert
Components
ACCESSORIES
Tilt Circuit Leak-Down Test
Cab Door
Hydraulic Cylinder Testing
Cabin Heater
Hydraulic Cylinder Service and Repair
Accessory Outlet / Int. Light / Beacon
Pressure and Flow Check
Backup Alarm
Gear Pump R & I
Auto Shutdown
Control Valve
Self-Level Valve

PDF File Size: 11.8 MB

➤ Total Pages: 143
➤ File Format: PDF
➤ Language: English
➤ File Download: Instant after purchase

MAKE SURE YOUR EMAIL ADDRESS IS CORRECT. DON’T FORGET TO CHECK SPAM / JUNK IF CAN’T FIND THE DOWNLOAD LINK IN YOUR EMAIL INBOX IMMEDIATELY.

Download Information

: File Format - PDF (Portable Document Format)


: Manual Images - (High-Quality PDF)


: Printable - Entire Manual


: Compatible - All versions of Windows, ios, android


: The manual includes - Bookmarks, Searchable Text, Wiring, and Hydraulic Schematics


: Download - You will receive the PDF manual in your email after the purchase

File Format - PDF (Portable Document Format)

  • Our manuals, contain searchable text, bookmarks, illustrations, and diagrams to make your experience comprehensive and efficient. All of these features are combined to help you find the information you are looking for quickly, so you can put your ideas into action.
  • Our PDF manuals are accessible with all versions of Windows, iOS, Mac, and other digital devices, making them great for any device user. Enjoy enhanced compatibility and get the information you need, whenever you need it.

When will I receive my manual after I buy it?

After purchase, your manual will be emailed to the address you supplied usually within about 1 hour. Just to be safe, we have listed the processing time as 8 hours. You will never have to wait longer than this.

Can I find these manuals online for free?
Some sites may offer much lower-quality manuals for no charge. These sites may contain malicious files that can do damage to your computer. And most of the time, end up not even having the manual they claim to have.

How large are the files and how will the download work?

The PDF files vary from 5MB to a maximum of about 1000 MB. The email you receive will contain a link that will redirect you to a file sharing called Send-space. This link will automatically start the download for your desired manual.

How will I open the PDF manual?

All of our manuals are PDF files that will open with Adobe Reader. 95% of computers come with this program already installed. If your computer does not have this software, it can be downloaded for free at: http://get.adobe.com/reader/

Can I have the manual shipped to me?

Digital download directly by a link provided by us.

Can I have the repair manual printed out and sent to me?

We apologize but we only offer digital manuals. Upon receiving the manual you may print out the entire thing or only your desired pages.

How can I pay for the service manual?

We accept all major brands of credit and debit cards. We also accept PayPal as a method of payment.

How will I be able to browse through the manual?

Almost all of our manuals contain a very easy-to-follow index. In the case that you have purchased a manual without an index, all manuals are fully searchable. This means that holding Ctrl and pressing “F” will open a search function in Adobe Reader, you can then search the entire manual for any specified word or phrase.

Are your service manuals printed by the manufacturer of the vehicle or by an aftermarket company like Clymer or Haynes?

Our manuals are all OEM factory service manuals; they have been written and printed by the original manufacturer of the vehicle itself.

Is the manual mine forever?

Yes, once you have received the email with the link, do not delete it. This file will be downloadable as many times as you like with no time limit. We recommend that after opening, you save the file somewhere on your computer you will remember.

Helpful Links

  • 📞 Get in Touch
  • 📚 Frequently Asked Questions
  • Privacy Policy
  • 🔄 Returns & Refund Policy
  • Delivery Process 💰 Refund Policy

Categories

Heavy Equipment Machines

Cars

Bikes

Generators

Engines

Subscribe To Manuals Group.

© 2025, The Manuals Group.
Payment methods
  • PayPal
  • Venmo
  • Choosing a selection results in a full page refresh.
  • Press the space key then arrow keys to make a selection.
  • Use left/right arrows to navigate the slideshow or swipe left/right if using a mobile device