Skip to content
  • Home
  • Collections
  • About
  • Contact
  • FAQ
  • Delivery & Refund Policy
  • Account
The Manuals Group
Cart
  • Home
  • Collections
  • About
  • Contact
  • FAQ
  • Delivery & Refund Policy
Account
Item added to cart. View cart and check out.

Categories

Allis Chalmers Audi Automotive BMW Auto Bobcat Bomag CASE CAT Chrysler Claas Coming Soon Crown Deutz DODGE DOOSAN Ducati FENDT Forklift Owner Forklift Parts Forklift Shop Freightliner Gehl HARLEY DAVISON Hitachi Honda Hyundai JCB Kobelco KOMATSU Kubota Massey Ferguson Mercedes Motor Bike Mustang NEW HOLLAND Steyr Technical Shop Tigercat Toyota Trucks VALTRA Volvo YANMAR
Tigercat 855E Feller Buncher Service Repair Manual (85513001-85514000) - PDF File Download
Download Complete Service Repair Manual PDF For Tigercat 855E Feller Buncher | Serial No. (85513001-85514000)
Improve efficiency and reduce downtime with the Tigercat 855E Feller Buncher Service Repair Manual. This detailed guide, available for download in PDF format, covers the 85513001-85514000 serial number range and provides expert information for servicing and maintaining your machine. Keep your equipment running smoothly for maximum productivity.
Introduction Machine Identification And Serial Numbers Sae Standards For Machine Operator Protective Structures, Non-approved Field Product Changes, Regulatory Information, Warranty-eρα, Safety, Using High-speed Disc Saws Safely, Controls And Operation, Lubrication And Maintenance, Hydraulic System, Pilot System, Electrical And Computers, Engine And Anti-tall, Cooling System, Track Drive, Boom Functions, Leveling, Swing, Saw Drive, Accumulator, Clamps, And Wrist, Shear, Miscellaneous
Tigercat 855E Feller Buncher Service Repair Manual (85513001-85514000) - PDF File Download
Download Complete Service Repair Manual PDF For Tigercat 855E Feller Buncher | Serial No. (85513001-85514000)
Improve efficiency and reduce downtime with the Tigercat 855E Feller Buncher Service Repair Manual. This detailed guide, available for download in PDF format, covers the 85513001-85514000 serial number range and provides expert information for servicing and maintaining your machine. Keep your equipment running smoothly for maximum productivity.
Introduction Machine Identification And Serial Numbers Sae Standards For Machine Operator Protective Structures, Non-approved Field Product Changes, Regulatory Information, Warranty-eρα, Safety, Using High-speed Disc Saws Safely, Controls And Operation, Lubrication And Maintenance, Hydraulic System, Pilot System, Electrical And Computers, Engine And Anti-tall, Cooling System, Track Drive, Boom Functions, Leveling, Swing, Saw Drive, Accumulator, Clamps, And Wrist, Shear, Miscellaneous

Billy B.

Always a pleasure buying from here

Terry D.

I have purchased several manuals through this website and they are always good

Clint P.

I saw this in a YouTube Video and it's great

Tom H.

It's a good website for manuals

Ben D.

Perfect. The online ordering was easy and the download worked great. I'm very happy with my manual.

Collin B.

I'm so glad that I could make repairing procedures on my on since they are explained from A-Z in the manual. The price was good too! The company offers the manuals for such affordable price! I'm glad that I find out about this company so early..

Zach O.

Thanks to this manual and it's information I was able to improve my New Holland tractor within a day. It's so satisfying feeling!

Leo J.

So far my experience is good

Max H.

This service provider is very good and very helpful i like their service Thank You!

Peter P.

Will use this service again. Thank you

Tigercat 855E Feller Buncher Service Repair Manual (85513001-85514000) - PDF File Download

  • Discount
  • Regular price $40.00 USD

 
 
This item is a recurring or deferred purchase. By continuing, I agree to the cancellation policy and authorize you to charge my payment method at the prices, frequency and dates listed on this page until my order is fulfilled or I cancel, if permitted.

  • Description
  • Download Information
Description

Download Complete Service Repair Manual PDF For Tigercat 855E Feller Buncher | Serial No. (85513001-85514000)

Publication No. 52280AENG | Issue. 3 September 2019

Improve efficiency and reduce downtime with the Tigercat 855E Feller Buncher Service Repair Manual. This detailed guide, available for download in PDF format, covers the 85513001-85514000 serial number range and provides expert information for servicing and maintaining your machine. Keep your equipment running smoothly for maximum productivity.

Service Repair Models Covered:
Tigercat 855E Feller Buncher

Service Repair Manual Contents:
Introduction
Machine Identification And Serial Numbers
Sae Standards For Machine Operator Protective Structures
Non-approved Field Product Changes
Regulatory Information
Warranty-eρα
Safety
Using High-speed Disc Saws Safely
Controls And Operation
Lubrication And Maintenance
Hydraulic System
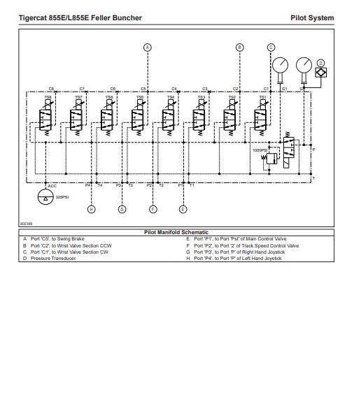
Pilot System
Electrical And Computers
Engine And Anti-tall
Cooling System
Track Drive
Boom Functions
Leveling
Swing
Saw Drive
Accumulator, Clamps, And Wrist
Shear
Miscellaneous

➤ Total Pages: 850
➤ File Size: 128.03 MB

➤ Language: English
➤ File Format: PDF
➤ Compatible: All Versions Of Windows, Android & Mac
➤ Download: You Will Receive Download Link In Your E-mail After Purchase.

Download Information

: File Format - PDF (Portable Document Format)


: Manual Images - (High-Quality PDF)


: Printable - Entire Manual


: Compatible - All versions of Windows, ios, android


: The manual includes - Bookmarks, Searchable Text, Wiring, and Hydraulic Schematics


: Download - You will receive the PDF manual in your email after the purchase

File Format - PDF (Portable Document Format)

  • Our manuals, contain searchable text, bookmarks, illustrations, and diagrams to make your experience comprehensive and efficient. All of these features are combined to help you find the information you are looking for quickly, so you can put your ideas into action.
  • Our PDF manuals are accessible with all versions of Windows, iOS, Mac, and other digital devices, making them great for any device user. Enjoy enhanced compatibility and get the information you need, whenever you need it.

When will I receive my manual after I buy it?

After purchase, your manual will be emailed to the address you supplied usually within about 1 hour. Just to be safe, we have listed the processing time as 8 hours. You will never have to wait longer than this.

Can I find these manuals online for free?
Some sites may offer much lower-quality manuals for no charge. These sites may contain malicious files that can do damage to your computer. And most of the time, end up not even having the manual they claim to have.

How large are the files and how will the download work?

The PDF files vary from 5MB to a maximum of about 1000 MB. The email you receive will contain a link that will redirect you to a file sharing called Send-space. This link will automatically start the download for your desired manual.

How will I open the PDF manual?

All of our manuals are PDF files that will open with Adobe Reader. 95% of computers come with this program already installed. If your computer does not have this software, it can be downloaded for free at: http://get.adobe.com/reader/

Can I have the manual shipped to me?

Digital download directly by a link provided by us.

Can I have the repair manual printed out and sent to me?

We apologize but we only offer digital manuals. Upon receiving the manual you may print out the entire thing or only your desired pages.

How can I pay for the service manual?

We accept all major brands of credit and debit cards. We also accept PayPal as a method of payment.

How will I be able to browse through the manual?

Almost all of our manuals contain a very easy-to-follow index. In the case that you have purchased a manual without an index, all manuals are fully searchable. This means that holding Ctrl and pressing “F” will open a search function in Adobe Reader, you can then search the entire manual for any specified word or phrase.

Are your service manuals printed by the manufacturer of the vehicle or by an aftermarket company like Clymer or Haynes?

Our manuals are all OEM factory service manuals; they have been written and printed by the original manufacturer of the vehicle itself.

Is the manual mine forever?

Yes, once you have received the email with the link, do not delete it. This file will be downloadable as many times as you like with no time limit. We recommend that after opening, you save the file somewhere on your computer you will remember.

Helpful Links

  • 📞 Get in Touch
  • 🔄 Returns & Refund Policy
  • Privacy Policy for Manual Labs
  • 📚 Frequently Asked Questions (FAQ)
  • 📩 Delivery Process 💰 Exchange & Refund Policy

Categories

Heavy Equipment Machines

Cars

Bikes

Generators

Engines

Subscribe To Manuals Group.

© 2025, The Manuals Group.
Payment methods
  • PayPal
  • Venmo
  • Choosing a selection results in a full page refresh.
  • Press the space key then arrow keys to make a selection.
  • Use left/right arrows to navigate the slideshow or swipe left/right if using a mobile device