Skip to content
  • Home
  • Collections
  • About
  • Contact
  • FAQ
  • Delivery & Refund Policy
  • Account
The Manuals Group
Cart
  • Home
  • Collections
  • About
  • Contact
  • FAQ
  • Delivery & Refund Policy
Account
Item added to cart. View cart and check out.

Categories

ALLIS CHALMERS Automotive (Book) BOBCAT BOMAG CASE CAT CHRYSLER CLAAS CROWN DEUTZ DODGE DOOSAN FENDT FORKLIFT - OWNER FORKLIFT - SHOP FORKLIFT - SPARE PARTS FREIGHTLINER GEHL HONDA JD (MODEL) KOBELCO KOMATSU KUBOTA MASSEY FERGUSON MOTOR-BIKE MUSTANG NEW HOLLAND OPERATOR'S MANUAL PARTS CATALOGUE MANUAL TECHNICAL SERVICE & REPAIR MANUAL TIGERCAT TOYOTA VOLVO YANMAR
Yanmar VIO27-5B Excavator Parts Catalogue Manual 0CS10-M52701_en - PDF File
Yanmar VIO27-5B Excavator Parts Catalogue Manual
Yanmar VIO27-5B Excavator Parts Manual
Yanmar VIO27-5B Excavator Manual
This professional-grade PDF file contains the full parts catalog and technical information for your Yanmar VIO27-5B Excavator, providing important details for maintenance and repair. All diagrams, qualitites, and parts lists are easily searchable and printable. Download and keep the parts catalog in your toolbox for accurate info when you need it.
Yanmar VIO27-5B Excavator Parts Catalogue Manual 0CS10-M52701_en - PDF File
Yanmar VIO27-5B Excavator Parts Catalogue Manual
Yanmar VIO27-5B Excavator Parts Manual
Yanmar VIO27-5B Excavator Manual
This professional-grade PDF file contains the full parts catalog and technical information for your Yanmar VIO27-5B Excavator, providing important details for maintenance and repair. All diagrams, qualitites, and parts lists are easily searchable and printable. Download and keep the parts catalog in your toolbox for accurate info when you need it.

Billy B.

Always a pleasure buying from here

Terry D.

I have purchased several manuals through this website and they are always good

Clint P.

I saw this in a YouTube Video and it's great

Tom H.

It's a good website for manuals

Ben D.

Perfect. The online ordering was easy and the download worked great. I'm very happy with my manual.

Collin B.

I'm so glad that I could make repairing procedures on my on since they are explained from A-Z in the manual. The price was good too! The company offers the manuals for such affordable price! I'm glad that I find out about this company so early..

Zach O.

Thanks to this manual and it's information I was able to improve my New Holland tractor within a day. It's so satisfying feeling!

Leo J.

So far my experience is good

Max H.

This service provider is very good and very helpful i like their service Thank You!

Peter P.

Will use this service again. Thank you

YANMAR VIO27-5B EXCAVATOR PARTS CATALOGUE MANUAL 0CS10-M52701_EN - PDF FILE

  • Discount
  • Regular price $14.00 USD

 
 
This item is a recurring or deferred purchase. By continuing, I agree to the cancellation policy and authorize you to charge my payment method at the prices, frequency and dates listed on this page until my order is fulfilled or I cancel, if permitted.

  • Description
  • Download Information
Description

Download Complete Parts Catalogue Manual for Yanmar 0CS10-M52701_en VIO27-5B Excavator 

This professional-grade PDF file contains the full parts catalog and technical information for your Yanmar VIO27-5B Excavator, providing important details for maintenance and repair. All diagrams, qualitites, and parts lists are easily searchable and printable. Download and keep the parts catalog in your toolbox for accurate info when you need it.

Parts Catalogue Models Covered -
Yanmar 0CS10-M52701_en VIO27-5B Excavator 

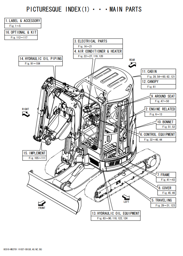
Parts Catalogue Manual Contents:
LABEL & ACCESSORY
1. LABEL(CABIN)
2. LABEL(CANOPY)
3. SAFETY
LABEL(CABIN)
4. SAFETY LABEL(CANOPY)
5. REPAIR PARTS
ENGINE RELATED
6. MUFFLER & AIR CLEANER
7. ACCELERATOR
8. ENGINE MOUNT
9. RADIATOR SHURAUD
10. RADIATOR & SUB-TANK
11. DUCT
12. FUEL TANK
13. FUEL LINE
ELECTRICAL PARTS
14. BATTERY
15. ELECTRIC PART(AROUND ENGINE)
16. ELECTRIC PART(AROUND FRAME)
17. ELECTRIC PART(STARTING SWITCH)
18. ELECTRIC PART(AROUND SEAT)
19. ELECTRIC PART(TRAVEL ALARM)
20. ELECTRIC PART(WORK LAMP)
21. ELECTRIC PART(QUICK COPLER: SWITCH BOX)
AIR CONDITIONER & HEATER
22. HEATER(TO M53438)
119. (22A)HEATER(FROM M53439)
23. AIR CONDITIONER(ELECTRIC PART)
24. AIR CONDITIONER(ENGINE RELATED)
25. AIR CONDITIONER(CONDENSER RELATED)
26. AIR CONDITIONER(CABIN RELATED)(TO M53438)
120. (26A)AIR CONDITIONER(CABIN RERATED)(FROM M53439)
27. AIR CONDITIONER(PIPING)
TRAVELING
29. SPROCKET & ROLLER
123. (29A)TRACK ROLLER(K SPEC.)
30. IDLER & ADJUST
31. CRAWLER
CONTROL EQUIPMENT
32. CONTROL EQUIPMENT(LOCK LEVER & STAND: RIGHT)
33. CONTROL EQUIPMENT (LOCK LEVER & STAND: LEFT)
34. CONTROL EQUIPMENT (TRAVEL LEVER)
35. CONTROL EQUIPMENT (BLADE LEVER)
36. CONTROL EQUIPMENT(SWING PEDAL)
37. CONTROL EQUIPMENT(LOW-HIGH PEDAL)

➤ PDF File Size: 7MB

➤ Total Pages: 172
➤ Language: English
➤ File Format: PDF (PDF Files Easy To Print In Documents)
➤ Compatible: All Versions of Windows, Android & Mac
➤ PDF Manual Delivery: Instant Download After Purchase

Download Information

: File Format - PDF (Portable Document Format)


: Manual Images - (High-Quality PDF)


: Printable - Entire Manual


: Compatible - All versions of Windows, ios, android


: The manual includes - Bookmarks, Searchable Text, Wiring, and Hydraulic Schematics


: Download - You will receive the PDF manual in your email after the purchase

File Format - PDF (Portable Document Format)

  • Our manuals, contain searchable text, bookmarks, illustrations, and diagrams to make your experience comprehensive and efficient. All of these features are combined to help you find the information you are looking for quickly, so you can put your ideas into action.
  • Our PDF manuals are accessible with all versions of Windows, iOS, Mac, and other digital devices, making them great for any device user. Enjoy enhanced compatibility and get the information you need, whenever you need it.

When will I receive my manual after I buy it?

After purchase, your manual will be emailed to the address you supplied usually within about 1 hour. Just to be safe, we have listed the processing time as 8 hours. You will never have to wait longer than this.

Can I find these manuals online for free?
Some sites may offer much lower-quality manuals for no charge. These sites may contain malicious files that can do damage to your computer. And most of the time, end up not even having the manual they claim to have.

How large are the files and how will the download work?

The PDF files vary from 5MB to a maximum of about 1000 MB. The email you receive will contain a link that will redirect you to a file sharing called Send-space. This link will automatically start the download for your desired manual.

How will I open the PDF manual?

All of our manuals are PDF files that will open with Adobe Reader. 95% of computers come with this program already installed. If your computer does not have this software, it can be downloaded for free at: http://get.adobe.com/reader/

Can I have the manual shipped to me?

Digital download directly by a link provided by us.

Can I have the repair manual printed out and sent to me?

We apologize but we only offer digital manuals. Upon receiving the manual you may print out the entire thing or only your desired pages.

How can I pay for the service manual?

We accept all major brands of credit and debit cards. We also accept PayPal as a method of payment.

How will I be able to browse through the manual?

Almost all of our manuals contain a very easy-to-follow index. In the case that you have purchased a manual without an index, all manuals are fully searchable. This means that holding Ctrl and pressing “F” will open a search function in Adobe Reader, you can then search the entire manual for any specified word or phrase.

Are your service manuals printed by the manufacturer of the vehicle or by an aftermarket company like Clymer or Haynes?

Our manuals are all OEM factory service manuals; they have been written and printed by the original manufacturer of the vehicle itself.

Is the manual mine forever?

Yes, once you have received the email with the link, do not delete it. This file will be downloadable as many times as you like with no time limit. We recommend that after opening, you save the file somewhere on your computer you will remember.

Helpful Links

  • 📞 Get in Touch
  • 🔄 Returns & Refund Policy
  • Privacy Policy for Manual Labs
  • 📚 Frequently Asked Questions (FAQ)
  • 📩 Delivery Process 💰 Exchange & Refund Policy

Categories

Heavy Equipment Machines

Cars

Bikes

Generators

Engines

Subscribe To Manuals Group.

© 2025, The Manuals Group.
Payment methods
  • PayPal
  • Venmo
  • Choosing a selection results in a full page refresh.
  • Press the space key then arrow keys to make a selection.
  • Use left/right arrows to navigate the slideshow or swipe left/right if using a mobile device